









48" Universal T-Track for Woodworking & CNC Router Clamping
Make your CNC setup and woodworking work-holding projects quick and easy with IDC Woodcraft’s 48” premium Universal T-Track (mounting screws included). Unlike most T-tracks that limit you to either 1/4" or 5/16" bolts, this track is specifically engineered to accommodate both bolt sizes, eliminating compatibility issues with clamps and accessories. No more guessing whether your clamps will fit—this track ensures a perfect match every time.
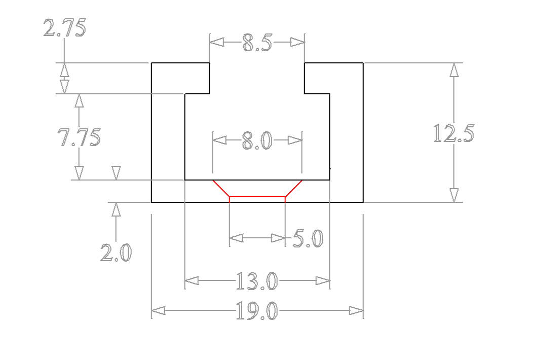
Designed exclusively by IDC Woodcraft, our T-track is made from high-quality extruded aluminum, offering exceptional durability and strength. Track mounting is streamlined with pre-drilled, countersunk holes on a 4-inch spread, ensuring the included #8 x 3/4" flat head screws seat flush for a secure installation while maintaining full clearance for bolts.
Whether you're securing material for CNC work, creating custom jigs, or optimizing your workspace, this versatile, precision-designed T-track is built to adapt to your needs and eliminate frustration.
FAQ
How do I Determine the number of T-Tracks needed for my CNC router?
You want your tracks to be 4-6” (100-150mm) apart center-to-center. If the distance is any wider, you may have problems with getting clamps in position correctly. We recommend an average of 5” (125mm).
To determine the exact number of tracks to get, measure the total width of the cutting area (you do not need to measure the depth).
For Inches, divide the width by 5. The result will tell you how many tracks you need.
· Example: (48” wide machine bed)/5 =9.6
· This means you will need 9 or 10 tracks for your machine
For Millimeters, divide the width by 125. The result will tell you how many tracks you need.
· Example: (1220mm wide machine bed)/5 =9.7
· This means you will need 9 or 10 tracks for your machine
What if my machine depth is longer than one size track, but shorter than the next size track?
· You will need to get the longer t-track and cut it to length.
TT-4